Home » Led Tube Light Circuit Diagram 230v » Led Tube Light Circuit Diagram 230v
Led Tube Light Circuit Diagram 230v
Microcontroller pic projects are categorized on the basis of microcontroller applications.

Led tube light circuit diagram 230v. Neon lamp inverter circuit. This is a simple 12v regulated power supply circuit diagram. It has a fixed voltage output and it based on lm7812 voltage regulator ic. The circuit diagram of an automatic street light controller circuit is explained in this post.
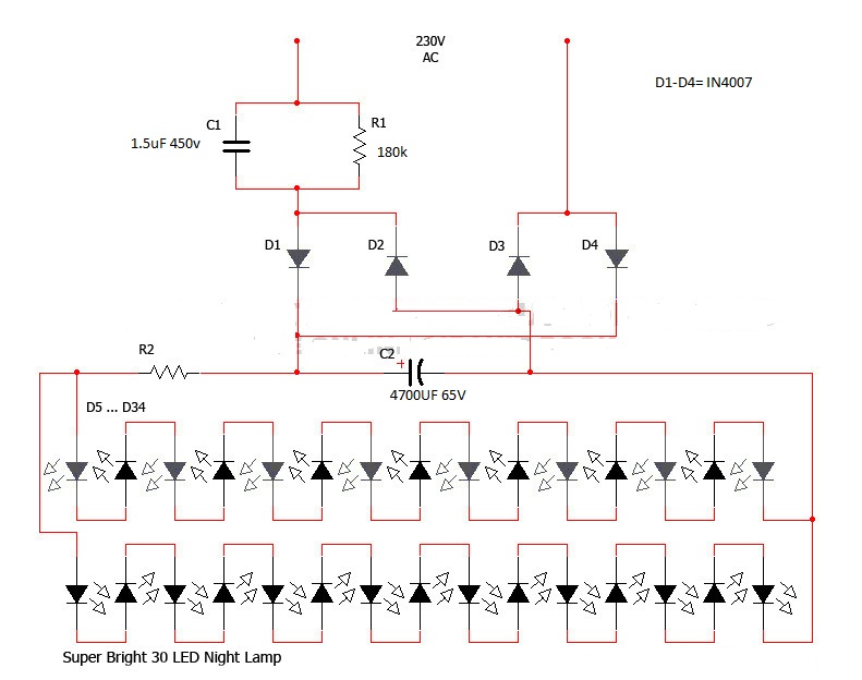
Convert a used cfl into a power saving led lamp circuit that consumes only 50ma. This gadget can be used in applications like night light table lamp etc. This automatic battery charger circuit is mainly involves two sections power supply section and load comparison section. The main supply voltage 230v 50hz is.
















































