Torx Plus Dimensions
Since its introduction torx plus drive has consistently outperformed every other drive system.
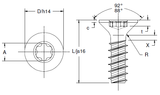
Torx plus dimensions. Typical dimensional torque specifications of torx tools. Torx point to point approximate dimensions. T size inch metric maximum. Torx plus screw size chart.
Torx plus maxx stems is a highly specialized variant used on the ends of fastener opposite the bolt head and provides higher torque than other drive systems allow. Torx wings flags l keys. Torx plus screw size chart. Torx plus screw size chart.
Torx plus maxx drive system. Home licensing licensed products torx drive system torx drive system. Torx drive system. Information about screwdriver drive types handle grips.
Torx plus screw size chart wiha torx dimensional screw size specifications torx screw size chart. 38 items sort by. Metric coarse large drive torx socket cap steel din34802. T h e s o l u t i o n t o y o u r a s s e m b l y p r o b l e m s.












































